Model Designations
1. Code Name: Hoop for accumulator
2. Diameter: Φ89~Φ351

An accumulator clamp is a metal fastener specifically designed for securing and supporting hydraulic or pneumatic accumulators.
Its primary function is to prevent the accumulator from swaying, deforming, or being damaged during operation due to uneven stress or vibration. Unlike brackets (supports) that only bear weight, clamps focus on fixed positioning and are typically used in conjunction with brackets.

Structure and Features
Material: Typically made of high-strength steel (such as Q235, Q345) or stainless steel to ensure it can withstand the impact forces under high pressure.
Structure: Common designs include U-shaped clamps (U-shaped clamps) or bolted connections. Tightening is achieved by rotating the bolts or by using fixing screws and mating components.
Applications: Widely used in heavy machinery such as excavators, cranes, and injection molding machines, as well as hydraulic systems in wind power, petroleum, and chemical industries.
Ordering Note
1. Fill type code is needed before booking, as: Bracket of Nom. V25L; D0299HOOP;NX-KG/Φ299(rubber gasket include).
2. Contact us if a special requirement is needed.
3. Design change rights are retained by our company, and the revision is effective without further notice.
We can design and develop according to the needs of our customers to meet the requirements of different clients.
Model Designations
1. Code Name: Hoop for accumulator
2. Diameter: Φ89~Φ351
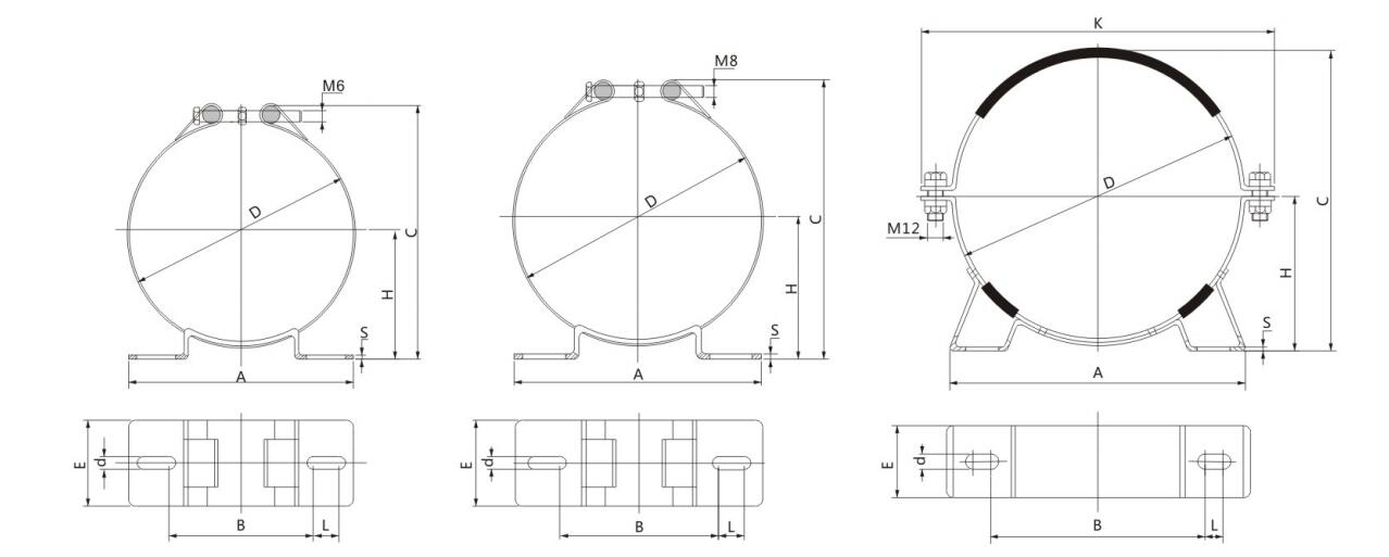
Overall Dimension
| Model | A | B | C | D | E | H | K | S | d | L | Compound Accumulator Model |
| NX-KG/Φ89 | 120 | 85 | 112 | 89-92 | 60 | 51-53 | 2.5 | 9 | 9 | L0.4-L0.63 | |
| NX-KG/Φ114 | 156 | 100 | 143 | 106-114 | 60 | 62-66 | 3 | 12 | 18 | L1 | |
| NX-KG/Φ152 | 163 | 108 | 191 | 152-159 | 60 | 87-91 | 3 | 12 | 15 | L1.6-L6.3 | |
| NX-KG/Φ219 | 240 | 158 | 247 | 216-224 | 60 | 120-124 | 3 | 12 | 28 | L10-L40 | |
| NX-KG/Φ299 | 350 | 260 | 325 | 299 | 40 | 172 | 370 | 3 | 16 | 20 | L20-L100 |
| NX-KG/Φ229 | 238 | 155 | 265 | 223-234 | 60 | 120-127 | 4 | 12 | 32 | - |